Campbell

Crochet de palan

Modèle : UAJ100

No. de fab. : 3924715PL

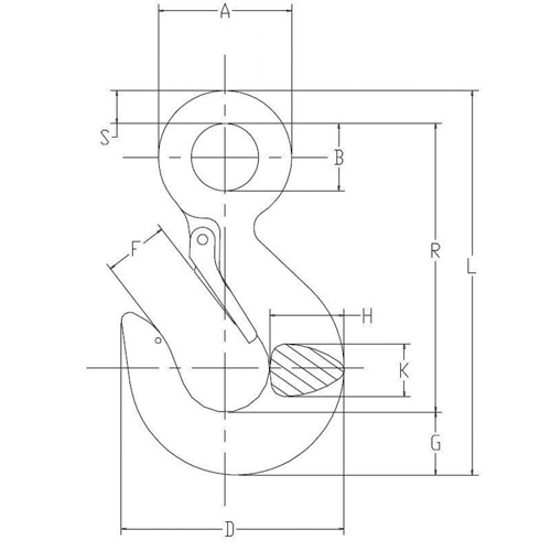
  • Crochet de palan Haskins Industrial Inc.

La couleur, la taille ou le style présenté dans certaines images peut différer de la description.
Veuillez bien vérifier la description du produit avant de passer votre commande.

97,60 $ / Chacun

0 En stock - Entrepôt externe

Type de crochet

Crochet d'élingue à œil a/loquet

Charge d'utilisation max.

10 000 lb (5 tonnes)

Matériau

Acier au carbone forgé

Calibre

Calibre 100

Diamètre de la chaîne

#27

Couleur

Bleu

Facteur de design

5:1

Pays d'origine

États-Unis


  • Loquet en acier robuste de haut calibre avec nervure de renforcement lui conférant une bonne rigidité et résistance à la déformation
  • Dotée d'un ressort double puissant qui retient le loquet solidement contre le crochet afin d'assurer la rétention des élingues et du matériel
  • Bossages forgés intégrés procurant un renfort latéral pour un bon alignement et engagement du loquet/crochet
  • Loquet à fini chromate jaune pour une meilleure résistance à la corrosion
  • Crochet forgé avec l'identifiant du type de loquet pour faciliter la commande de pièces de rechange
  • L'emballage est recyclable